Analista Judiciário - Área: Apoio Especializado - Especialidade: Engenharia Elétrica - 2024
Com relação a elementos de circuitos elétricos, julgue o item a seguir.
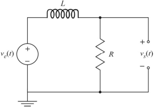
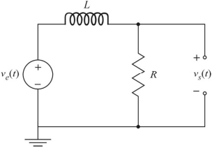
Caso seja aplicada uma tensão senoidal com amplitude de 1 V de pico e 1 kHz aos terminais de um indutor ideal de 5 mH, o módulo da impedância entre os terminais do indutor, em regime permanente, será superior a 25 Ω.
Com relação a elementos de circuitos elétricos, julgue o item a seguir.
Se for aplicada uma tensão de 5 V entre os terminais de um capacitor ideal de 2 µF, será acumulada, em cada uma das placas do capacitor, uma quantidade de carga, em módulo, igual a 2,5 µC, positiva em uma das placas e negativa na outra.
No circuito a seguir, a fonte IF provê uma corrente constante de 100 mA, e a fonte VF, uma tensão constante de 20 V. Além disso, R1 = R2 = R3 = 100 Ω e R4 = 50 Ω.
Em relação a esse circuito, julgue o item que se segue.
Se o resistor R4 for retirado do circuito, ficando em aberto a conexão entre os nós C e D, a resistência equivalente de Thévenin do circuito à esquerda dos pontos C e D será igual a 200 ohms.
No circuito a seguir, a fonte IF provê uma corrente constante de 100 mA, e a fonte VF, uma tensão constante de 20 V. Além disso, R1 = R2 = R3 = 100 Ω e R4 = 50 Ω.
Em relação a esse circuito, julgue o item que se segue.
Ao se modelar o circuito apresentado pela lei de Kirchoff dos nós, obtém-se a equação a seguir, cuja solução permite encontrar o valor da tensão no nó A (VA).
No circuito a seguir, a fonte IF provê uma corrente constante de 100 mA, e a fonte VF, uma tensão constante de 20 V. Além disso, R1 = R2 = R3 = 100 Ω e R4 = 50 Ω.
Em relação a esse circuito, julgue o item que se segue.
Se o resistor R4 for retirado do circuito, ficando em aberto a conexão entre os nós C e D, a tensão equivalente de Thévenin do circuito à esquerda dos pontos C e D será igual a 30 V.
No circuito a seguir, a fonte IF provê uma corrente constante de 100 mA, e a fonte VF, uma tensão constante de 20 V. Além disso, R1 = R2 = R3 = 100 Ω e R4 = 50 Ω.
Em relação a esse circuito, julgue o item que se segue.
Considerando-se que o princípio da superposição pode ser utilizado para avaliar separadamente o efeito de uma das fontes, desativando-se a outra, é correto afirmar que o valor da corrente i2 devido apenas ao efeito da fonte de tensão VF é igual a 40 mA.
Julgue o item subsequente, a respeito de eletromagnetismo.
A resistência elétrica entre as extremidades de um cilindro feito com material resistivo é diretamente proporcional à resistividade do material e à área da seção transversal do cilindro, e inversamente proporcional ao comprimento do cilindro.








